Index

Abstract

The semi-automatic gate is mainly used in industries, schools, Hotels, etc. A design for the semi-automation sliding gate with electrical energy has been designed and implemented at RP IPRC-Kigali. The project aims to fabricate a simple model to show how the system would ensure students' punctuality in secondary schools. We use a rack and pinion mechanism for sliding the gate forward and reverse in this proposed method. It also mainly consists of design aspects such as stress analysis, load management, design for the selection of material, size of material, etc. When we press the open button, a signal is sent to the main circuitry board, allowing the current to pass through to the gate motor, causing the motor to run and open. Once the gate is fully open (depending on where the resistant beam is located), the motor stops running, causing the gate to stop moving. When the bearing steps on the close button are pressed, the same thing happens, but this time, the motor runs in the opposite direction, causing the gate to close. The motor was able to move the gate from one end to the other smoothly with the push of a button. It is safer and more secure compared to manual gates used in secondary schools and it can keep the people who live in the compound safe.

Keywords: Automated manufacturing, Mechanical properties, Rack gear and pinion, Sliding gate, SMC software, Solid works software, Stress- strain behavior, Welding.

Received: Received: 19 April 2023/ Revised: 5 July 2023/ Accepted: 31 July 2023/ Published: 7 September 2023

Contribution/ Originality

The aim of this paper is to design a semi-automated gate for ensuring the students' punctuality. Rack and pinion mechanism is used as method. The loads applied to the Gate system, especially moving parts must be clear enough to reduce gate risks like malfunction, security, and safety.

1. INTRODUCTION

Over the years, humans used their force to open the gates; these types of gates are known as manually controlled gates. One point of a gate of entry is on a space enclosed by walls or an opening in a fence. Gates may prevent or control entry or exit or be merely decorative [1]. In recent years, the wave of themes of intelligent cities and smart homes has constantly impacted the traditional access control system. Password lock and magnetic card have some advantages because it is effortless for damage and leak. The cost of biometrics is high and requires high requirements for using the environments [2]. Several security measures have been employed to combat the menace of insecurity of lives and property [3]. So, a daunting challenge in modern security is controlling access to a facility while upholding the level of protection required. The traditional solution is a security gate built in the center of a perimeter fence or other structures. Sliding gates are commonly used in many areas like schools and residential and industrial areas. Because it is the best way to have a gate that opens inwards or outwards, sliding gates either run on a trackless cantilever system or tracks [4]. Today many gates used automation systems. Those gates come with many unique features. The need for automatic gates has been on the increase in recent times [5]. Their theory is simple; when a button is pressed or weight acting, a signal is sent directly to the primary circuit, allowing current to pass through to the gate's motor, causing the motor to run, and the gate opens up. When the gate is fully opened, the motor stops operating and waits till its next instruction is sent. When the close button is pressed, the motor starts operating again, but in the opposite direction to the gate's opening, causing the gate to close [6]. Here the automatic gate described the entrances parking lots of residential homes, organizations, and public car parks using Radio Frequency Identification (RFID) technology as access control systems to allow only the entry of authenticated and authorized personnel [7]. It works on the principle of inductive coupling. Inductive coupling is the transfer of energy from one circuit to another through a shared magnetic field which is produced due to mutual inductance between two circuits [8]. It makes use of electromagnetic waves to receive and read transmitted data. Automatic gates are used to control access into a secured area or vicinity. Most commonly, automatic gates are used in their system to control vehicular access on and off the site. This paper proposes a design with an electrical energy source to design a semi-automated gate to ensure students' punctuality. The loads applied to the Gate system, especially moving parts, will be discussed and analyzed. These loads must be clear enough to reduce gate risks like malfunction, security, and safety.

2. OBJECTIVES

The main objective of this paper is to design;
1) The control mechanism.
2) Design of commanding circuit hardware to open/close gates automatically.
3) Design of the gate with electrical energy.
4) Easy maintenance and high operating efficiency.

3. METHODOLOGY

The main objective of this paper is to design mechanical and electrical aspects to achieve the automation of the sliding gate. As shown in Figures 1 and 2, a proposed method uses a rack and pinion mechanism to slide the gate in forward and reverse directions. Figure 3 and Table 1 show the pin, nuts, and bearing used to connect those materials. Another method used was to visit some of the schools in our country to collect all the necessary information and to find out what it takes to ensure the consistent punctuality of students in secondary schools, particularly in our campus Rwanda Polytechnic, Integrated Polytechnic Regional Centre Kigali (RP IPRC-Kigali). Mechanical engineering workshops like welding, electrical, and machine tools have been used to collect many materials and tools used for designing and implementing our project.

4. A DETAILED DESCRIPTION OF THE DESIGN

4.1. The Frames and Gate in Steel Metal; Tubes Sheet Metals of Different Dimensions

Figure 1.The frames and gate.

(i) Power transmission mechanism, pin, nuts, and electric motor of sufficient energy compared to the gate dimensions.
(ii) Gearbox

Figure 2. Rack gear and spur gear.

(iii) Pin and nut

Figure 3. Pin.

(iv) Motor
C15 - Direct Current (DC) Permanent Magnet Gearmotor.
6 - 24 Volt DC.
Torque up to 10 in-lb.
Construction Features Permanent magnet motor.
Die-cast zinc gearbox.
Powdered metal and steel spur gears.
Bronze sleeve bearings (Reversible).

4.2. Electrical Command Board

Electrical contractors are electro-mechanical devices inside the crane's control panel that " open" and " close" when the pendant/ remote control buttons are pushed; when an electrical contractor is closed, the circuit is completed, and the drive motor is turned on. The electrical switch buttons are electrical switches that give electrical impulses to the electrical devices they command in the circuits; they are used depending on the class function or purpose function; apply voltage and current.

Electrical contractors are electro-mechanical devices inside the crane's control panel that "open" and " close" when the pendant/ remote control buttons are pushed; when an electrical contractor is closed, the circuit is completed, and the drive motor is turned on.

The electrical switch buttons are electrical switches that give electrical impulses to the electrical devices they command in the circuits; there are several types, and they are used depending on the class function or purpose function; they apply voltage and current.

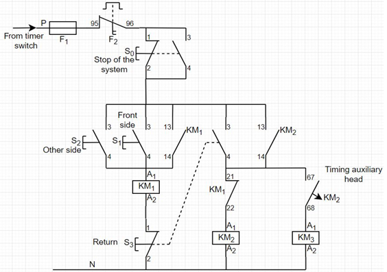
The electrical wire used in this project is copper wires used to conduct the electrical current in the electrical devices, motor, and contactors, depending on the working stages. All wires have some size because the command circuit and power circuit are for low-power motors to run. The timer switch (main switch) is used to switch on and off the electric power of the semi-automatic gate circuit in a specified interval of time. S1 and S1 are the push buttons located under the ground at the front of the gate; those push buttons are actuated when only someone steps up on them. S2 and S0 are the push buttons that are actuated by the gate itself during the sliding motions; during the opening, the gate bearings push the push button S2 then the contactor KM2 is excited to start the closing motion. During the sliding motion of closing the gate bearings, push the push button S0 then the gate stops, the current in the motor is cut to keep the system out of power when the gate is not functioning. Figure 4 and Figure 5 illustrate an open command circuit board and their drawing circuit.

Symbol
F1: Fuse.
F2: Overload relay.
S0: A couple of push buttons to stop the whole system.
S1&S2: Floor switch to start the opening of a gate.
S3: To switch the return of the gate.
KM1: Contactor for opening operation.
KM2: Contactor to hold the return action of the gate.
KM3: Contactor of closing operation.

SolidWorks uses the parametric design principle and generates three interconnected parts, assembly, drawing, and System Management Controller (SMCe) tools used to draw commanding circuits.

Figure 4. Commanding circuit.

Figure 5. A large figure in one column.

4.3. Bearings Specifications

Table 1 show the specification of bearing using on this prototype. Applied load are well calculated to prove that the design is safe.

Table 1. Bearing specifications.

Dynamic load capacity
7650 Newtons

Overall width
11 millimeters

Part number
kit8332

Item weight
0.1 pounds

Outside diameter
35 millimeters

Brand name
Ball bearings (VXB)

Inside diameter
15 millimeters

Static load capacity
3700 Newtons

5. SEMI-AUTOMATIC GATE CONSTRUCTION

5.1. The Main Operation of the Gate             

The design of a Semi-automated gate consists of two parts electrical design and Mechanical design. Figure 6 represents the complete Block diagram of the Semi-automated gate. It mainly consists of five modules, Power source, mechanical load, Induction Motor, and commanding circuit.

As shown in Figures 7 and 8, the mechanical load consists of a Gate and gearbox, which works on the basic principle of the Rack and pinion mechanism. When we press the open button, a signal is sent to the main circuitry board, which then allows the current to pass through to the gate motor, causing the motor to run and open. Once the gate is fully open (depending on where the resistant beam is located), the motor stops running, causing the gate to stop moving.

Moreover, when the bearing steps on the close button are pressed, the same thing happens, but the motor runs in the opposite direction, causing the gate to close.

Figure 6. The block diagram of the gate.

Material assembly is based on standard steel because the whole mechanical system is made of steel. The methods of joining the steel metal links and components are: Welding is essential because the material for assembly is the tubes and metal steel sheets. The outcome is that the metals linked with this disassembly method are not quickly required to cut the joint between them, which is more complex than the assembly metals themselves. Welding Methods like tee joint, Lap joint, and Edge joint will be used.

Figure 7. Complete gate.

Note:

Flame in grey, gate in green, rack gear in red, and location of a motor with command board are in black.

The assembly of gears and motor view, and show how the design of connection of motor and gears, also shows how gears have meshed each other (gear 1, gear 2, gear 3, and rack gear).

Figure 8. Design of connection of motor and gears.

Figures 9 and 10 illustrates a complete gate before and after painting. consists of a Gate and gearbox, which works on the basic principle of the Rack and pinion mechanism.

Figure 9. Complete gate.
Figure 10. Complete gate after painting.

5.2. Design Calculation

5.2.1. Velocity Calculation on Gears

For safety, the velocity of opening or closing a gate must be at least slow to avoid fast movement. The gate has to open or close in less than two seconds duration. Therefore, we have to design a gearbox to ensure and respect the duration of opening and closing a Gate. The angular rotation of the available motor at the IPRC electrical workshop has around 3,000 turns/min, which gives an angular velocity of 314 rad/sec [9].

Therefore, the angular velocity ω_1 of the motor is given by Equation 1:

The Equation 2 presents linear velocity V1 of gear 1.

Its linear velocity will be V3 = 34.8 rad/sec x 0.01 m = 0.348 m/sec.

Gear 3 is mounted directly to the rack gear so that the linear velocity of gear 3 will be the same as the linear velocity of rack gear which is 0.348 m/sec then the sliding gate of 0.70m will open or close in 2.01sec.

5.2.2. Permissible Tangent Tooth Load Calculation [WT]

In general, the motor we used which is available in IPRC electrical workshop has an active horsepower of 0.5hp=0.373kW.

The torque on the motor shaft T1 is given by Equation 3:

T2 = This is the torque on the shaft 2 mounted gear 2 and gear 3.
The WT between gear 3 and rack gear is equal to torque on shaft 2/radius of gear 3.
WT3R = 10.683 Nm/ 0.01 m= 1068.3 N
However, we check if the longitudinal load of the gate on rack gear while sliding is less than the load motor transmitted up to shaft 3. Longitudinal gate load is lesser than 1068.3 N.

5.2.3. Calculation of Gear Safety

From Río-Correa, et al. [10] Lewis equation, we have to check if  (allowable static stress) of steel is safe. The values obtained by replacing WT of every gear in the Lewis equation, all results must be lesser than the allowable static stress of steel which is equal to 140 N/mm2.

Surface endurance limit σes is around 350 N/mm2

If we compare the results obtained of the static stress with the allowable static stress on gear 2, we can see that the gear is safe.

If we compare the result obtain of the static stress with the allowable static stress on gear 3, we can see that the gear is safe. 0.156 N/mm2 is lesser than 140 N/mm2.

6. CONCLUSION

The semi-automatic prototype gate system was designed and implemented at IPRC Kigali. The motor was able to move the gate from one end to the other smoothly with the push of a button.

In other words, we found more good than bad in this system because it is safer and more secure compared to manual gates used in secondary schools and it can keep the people who live in the compound safe.

Funding: This research is supported by Bircham International University, Spain (Grant number: 364).
Institutional Review Board Statement: The Ethical Committee of the Bircham International University, Spain has granted approval for this study on 28 March 2014 (Ref. No. RWA/35-629).
Transparency: The authors state that the manuscript is honest, truthful, and transparent, that no key aspects of the investigation have been omitted, and that any differences from the study as planned have been clarified. This study followed all writing ethics.

Competing Interests: The authors declare that they have no competing interests.

Authors’ Contributions: All authors contributed equally to the conception and design of the study. All authors have read and agreed to the published version of the manuscript.

REFERENCES

[1]          The Stands4 Network, "What does gate mean, definitions and translations," Retrieved: https://www.definitions.net/definition/gate . [Accessed December 1, 2022], 2022.

[2]          Y. Zhang, "Opening the door of mobile phones will lead the development of smart access control industry," China Public Security, vol. 5, pp. 71-72, 2016.

[3]          A. O. Oke, O. M. Olaniyi, O. T. Arulogun, and O. M. Olaniyan, "Development of a microcontroller-controlled security door system," The Pacific Journal of Science and Technology, vol. 10, no. 2, pp. 398-403, 2022.

[4]          T. G. N. Singh, "Automatic gate authentication system for RFID Tags and Thai ID cards," Asian Institute of Technology, School of Engineering and Technology Thailand, pp. 1-57, 2017.

[5]          Silva Consultant, "Introduction to automatic gates," Retrieved: http://www.silvaconsultants.com/introduction-to-automatic-gates.html . [Accessed December 1, 2022], 2022.

[6]          J. Jackson, " A guide on different types of gate," Retrieved: https://medium.com/@centuriond5evo/a-guide-on-different-types-of-gate-motors-7f939a691d67 . [Accessed April 4, 2017], 2017.

[7]          A. Batool and A. Sima, " Radio frequency identification and rescue victims in earthquake," International Journal of Health System & Disaster Management, vol. 3, no. 5, pp. 1-5, 2017.  https://doi.org/10.4103/2347-9019.168566

[8]          K. Komal and G. Dhiraj, "Campus access management system via RFID," International Journal of Innovative Technology and Exploring Engineering, vol. 4, no. 8, pp. 23-27, 2015.

[9]          M. Gitin, Handbook of gear design. UK: McGraw-Hill Publishing Company Limited, 1994.

[10]        J. L. Río-Correa, L. S. García-Colín, and V. Micenmacher, "Lewis principle revisited," Physica A: Statistical Mechanics and its Applications, vol. 219, no. 3-4, pp. 361-374, 1995.  https://doi.org/10.1016/0378-4371(95)00141-S

Views and opinions expressed in this article are the views and opinions of the author(s), Review of Industrial Engineering Letters shall not be responsible or answerable for any loss, damage or liability etc. caused in relation to/arising out of the use of the content.