Index

Abstract

This system aims to present a design that can automatically detect, alarm, and control gas leakage using an exhaust fan to suck the gas away from the premises where there is leakage. This system detects the nature of gas using LEDs (red and green). The alarm gives a sound when gas leakage is detected, the exhaust fan sucks the gas away from the premise, and the Liquid Crystal Display (LCD) indicates the system performance at any distortion condition. The Arduino UNO is used as the main controller of the system, and the buzzer is used as a means of notification. One of the prophylactic means to stop accidents related to this gas leakage is to mount a gas leakage monitoring device in susceptible places. The system will detect the leakage of liquefied petroleum gas (LPG) using a gas sensor and use the buzzer to alarm the industries, companies, or people about the leakage. The system also consists of two indicators (LEDs). The Green LED used in this research indicates no gas detection, that is, there is no gas leakage in the environment, and the red LED will indicate that there is gas leakage detected. The device is intended for use in household safety where appliances and heaters that use natural gas or LPG may be a source of risk. The system can also be used for other applications in the industries or companies that depend on LPG and natural gas in their operations.

Keywords: Detection system, Exhust fan, MQ-5 sensor, LCD, Arduino, Buzzer, LEDs.

Received: 16 February 2022 / Revised: 1 April 2022 / Accepted: 20 April 2022/ Published: 6 May 2022

Contribution/ Originality

This research creates awareness of the necessary measures the instruments or equipment will take if there is gas leakage, which is different from previous research. 

1. INTRODUCTION

The feeling of fear of an event is the beginning of the development of a security system that begins with the creation of humans from several problems that must be resolved to be guarded and protected [1]. To warn there is some bad information, people emit some form of signal through shouting and noise [2]. Then, with applause and help, he informed the public about the introduction of traffic lights, especially in the early days of African society, with messages focused on all kinds of fires, kidnappings, and invasions. My country is Nigeria [3]. All of these notification or warning methods are necessary but unreliable and unsystematic [4]. The fire alarm security system stems from a system developed in 1851 by Moses Farmer and Dr. William. The two fire alarm boxes in this system consist of each with a telegraph lock and handle [5]. Fire detection has been studied by previous researchers. Detection of wildfires from multi-sensor satellite images using deep semantic segmentation was investigated by Rashkovetsky, et al. [6], and efficient video fire detection using motion-based dynamic and static functions were observed in a study by Xie, et al. [7]. Unsupervised fire and smoke segmentation from infrared video was studied by Ajith and Martínez-Ramón [8]. The planning of an unmanned fixed-wing aircraft data acquisition task in forest fire monitoring was studied by Zhang, et al. [9]. Prediction of daily fire activity using Poisson regression was investigated by Graff, et al. [10]. The hostile adaptation of synthesis to reality in rapid smoke detectors was investigated by Xu, et al. [11]. Multi-stage real-time fire detection using convolutional neural networks and short-term memory networks was developed by Nguyen, et al. [12]. Information-guided fire detection based on Faster RCNN was studied by Chaoxia, et al. [13]. A high-resolution video smoke detection framework using fused spatial and frequency domain functions was investigated by Liu, et al. [14]. ATT Squeeze UNet: A lightweight network for the detection and recognition of forest fires was studied by Zhang, et al. [15]. The optimal placement of wildfire surveillance cameras and intelligent smoke detection algorithms were investigated by Shi, et al. [16]. Contextual and multitemporal active fire detection algorithms based on FengYun2GSVISSR data has been provided in a study by Lin, et al. [17]. A repetitive tendency prediction neural network for multi-sensor fire detection was investigated by Nakip, et al. [18]. Fire detection and optimization of detection based on virtual reality video images were investigated by Huang and Du [19]. Attention Enhanced Two Way LSTMs for early detection of forest fire smoke was investigated by Cao, et al. [20]. If an outbreak or explosion is detected in an organization, industry, home, or office, someone needs to reach for one of these boxes, pull the handle, and send a fire or explosion notification to the nearest alarm station. There, the station operator will receive a message, notify the fire brigade of the outbreak of the fire, and allow helpers to be dispatched. The earliest electronic fire alarm system was developed by Francis Robins Upton in 1890, almost 40 years later. Francis remembered that most of the time, in the event of a fire or explosion, people wouldn't have time to stand and grab the handle in the box. Therefore, the electrical system he invented intended to eliminate this step. The invention of the fire safety system was not very popular, especially when the system was first introduced to the population, but then people began to understand the need for a fire warning system that was more sophisticated than the one he invented. Li, et al. [21] researched the development and application of a dual CO2 and CO2 mid-infrared gas sensor system in the field for early detection of fires. The development of a mobile robot equipped with a fusion fire detector was carried out by Sucuoglu, et al. [22]. The attention-primarily based CNN version for hearthplace detection and localization in real-international photos was then investigated [23]. Muhammad recommended early detection of fires using convolutional neural networks while monitoring effective disaster management [24]. Early fire detection based on gas sensor arrays, multivariate calibration and validation investigated by Solórzano, et al. [25]. An active fire detection algorithm based on the multi-temporal Feng Yun-3C VIRR data was studied by Lin, et al. [26]. Vapor detection of overheated PVC cables with modified sea urchin-like ZnO for fire warning were investigated by Li, et al. [27]. Early fire detection for an underground diesel fuel storage area was investigated by Yuan, et al. [28]. The formation and detection of hydrogen fluoride gas during a firefighting scenario were investigated by Krebs, et al. [29]. An unsubsampled visible and infrared domain image fusion framework for fire detection using pulse-coupled neural networks and spatial fuzzy clustering was investigated by Nemalidinne and Gupta [30]. Since then, they have made many advances in fire alarm systems, especially in the latest technological developments. Today, all businesses and homeowners need to leave the area in the event of a fire, and the use of gas always increases the risk of property and life-threatening leaks. Therefore, developing an affordable gas leak detection system can mitigate risk over the years. Recently, there have been several accidents due to liquefied petroleum gas (LPG) and methane leaks in industry and at home. This gas leak resulted in the loss of multiple lives and property in a fire or explosion. State-of-the-art technology must be used to issue early warning signals to ensure sufficient time to evacuate from near potential hazards. Near-infrared laser detection of methane under non-cooperative target conditions based on harmonic waveform recognition was investigated by Shen, et al. [31]. Ti2CTx MXene: Wang investigated a new p-type sensor material for visible light-enhanced methane detection at room temperature [32]. An improved method for detecting cellular methane leaks in the city was investigated by Keyes, et al. [33]. Wang, et al. [34] investigated a fiber optic multipoint methane remote sensor system based on pseudo-differential detection. A photoacoustic miniature single-fiber sensor for detecting methane leaks was investigated by Li, et al. [35]. A sensitive methane sensor with ppt detection using a mid-infrared band laser cascade and a long lane multipath cell was investigated by Xia, et al. [36]. Machine vision for detecting methane emissions from natural gas with an infrared camera was investigated by Wang, et al. [37]. The detection of methane, ethane, and propane by a compact quartz-enhanced photoacoustic sensor and a single band-to-band cascade laser was investigated by Sampaolo, et al. [38]. The characteristics of a compact  photoacoustic mid-infrared sensor sensitive to the detection of methane, ethane, and acetylene were investigated taking into account changes in environmental parameters and mass composition (N2, O2,  H2O) [39]. A blind assessment of the detection of aerial methane sources by Bridger Photonics LiDAR was investigated by Johnson, et al. [40]. High sensitivity methane detection based on quartz-assisted photoacoustic spectroscopy using high-power diode lasers and wavelet filtering was investigated by Li, et al. [41]. An IHQCL based gas sensor for simultaneous detection of methane and acetylene was investigated by Zhang, et al. [42]. Laser-based detection of methane and soot during gasification of accompanying biomass was investigated by Sepman, et al. [43]. Selective detection of methane using a PdIn2O3 sensor with a catalytic filter film was investigated by Zhao, et al. [44]. A potential difference sensor based on the SmMn2O5 sensor electrode for methane detection was investigated by Yang, et al. [45].  Its behavior in the electrochemical synthesis and detection of dopamine of a new poly (3,4 ethylene dioxythiophene) doped with bis (pyrazolyl) methanesulfonate was investigated by Sandoval-Rojas, et al. [46]. A near-infrared methane sensor with neural network filtering was investigated by Tian, et al. [47]. Methane detection in the ppb range based on a T-type optimized photoacoustic cell and NIR diode laser was investigated by Gong, et al. [48]. Broadband detection of methane and nitrous oxide using a quantum cascade laser circuit with distributed quantum feedback and a quartz-assisted photoacoustic sensor was investigated by Giglio, et al. [49]. A wavelet filter algorithm for better detection of methane gas sensors based on non-dispersive infrared technology was investigated by Ch'ien, et al. [50]. The contribution of this paper is to develop gas warning systems that detect the presence of gases such as liquefied petroleum gas (LPG) and methane in our environment, industry, schools, and hospitals. If there is any gas leak that can pose a threat or harm to society or people living in this environment, this MQ5 sensor used in circuit design will automatically detect the presence of the gas. The system consists of a buzzer that triggers an alarm if gas leaks into the environment, a red LED that displays light, and an exhaust fan that sucks the gas present in the environment. The system can be used in a variety of other locations, including oil and gas pipelines, kitchens, and gas storage facilities.     

2. RELATED WORKS

This takes a look at establishing a fuel line leak detector. With the aid of this technology, the presence of gases, inclusive of liquefied petroleum fuel line (LPG) and methane, in our environment, industry, faculties, and hospitals is detected. If there's any type of ACORS fuel line leak that threatens or harms society or human beings residing in this environment, the circuit layout MQ5 sensor will routinely stumble on this and the layout GSM modem will ship a caution sign. It is delivered to the consumer whose quantity is registered inside the gadget, or to the tracking device that displays units or manages the construction or organization. This gadget includes a buzzer that triggers an alarm if a fuel line leaks into the environment. The gadget may be utilized in plenty of different locations, along with oil and fuel pipelines, kitchens, and fuel line garage facilities. This study's ambition is to expand a fuel line caution gadget that routinely detects and warns of fuel line leaks. This tool is predicted for use in domestic protection regions in which heating gadgets and gadgets powered with the aid of herbal fuel lines and liquefied petroleum fuel lines can pose a hazard. This fuel line caution gadget can also be used for different features of industries and vegetation that depend upon LPG and herbal fuel line operations. The fuel line leak detection gadget sends a notification message to the registered cellular phone. The Arduino microcontroller operates as a result of the collective mind of all studies. This fuel line alert gadget is managed and monitored through the ADAFRUIT net software. After notification, the buzzer comes on. With the assistance of this net software gadget, customers can manipulate how the fans and water pumps are switched on. This clever online caution gadget has been proposed to be used in diverse hospitals. In the case of an unexpected fuel line leak, the fuel line sensor used inside the layout sends a signal to the Arduino. 

The Arduino then sends a notification to different gadgets concerned within the layout, inclusive of hospitals. Alarms are despatched again until the necessary response is received. The machine was designed and applied for ceiling and wall mounting. If the gadget is simply positioned or wall set up and powered, the detection gadget will send a brief message (SMS) to advise the owner of the house on the occasion of a fuel line leak. The detection gadget consists of an Arduino microcontroller, an MQ5 fuel line sensor with an ATmega328 microcontroller, a buzzer for alarms, a SIM900A GSM/GPRS module for composing messages, a solenoid valve for establishing and maintaining the fuel line supply, and a relay. It includes modules, and works with virtual indicators sent with the aid of Arduino [51, 52].

3. MATERIALS AND METHOD

The materials used in this research are shown in Table 1.

Table 1. materials used in this research.

S/N
Name of components
Number used
1
Arduino Uno Board
1
2
MQ-5 sensor detector
1
3
Liquid crystal display
1
4
LEDs
2
5
Buzzer
1
6
Jumper wires
26
7
Number of connections
14

Figure 1. Block diagram of the system.

Figure 1 shows how the overall system operates. If the system is powered on, the control unit, which is the Arduino Uno, serves as the brain of the whole system. The LCD will display that there is no gas leakage after it has finished initializing by writing. If there is a leakage of gas in the environment, the gas unit will automatically sense it (mq-5 sensor), and the indicating unit will activate a red LED. At the same time, the exhaust fan will be on in order to suction the gas from the environment. The buzzer will sound an alarm and it will display on the LCD "Gas leakage detected".

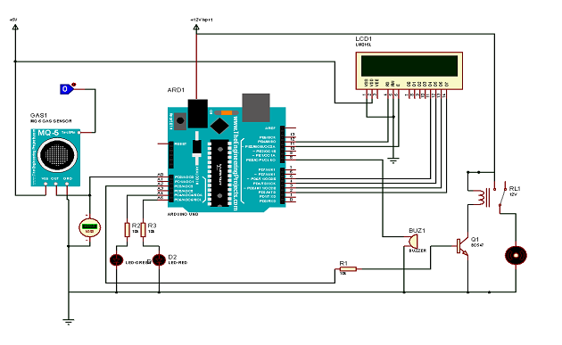
Figure 2. Circuit diagram showing all the connections between the components.

This is the overall circuit diagram showing all the pin configurations. The Arduino is the brain of the system and is connected to all the components needed for the circuit to operate successfully, like the buzzer, LEDs, LCD, and the exhaust fan that sucks the gas away if there is gas leakage (See Figure 2).

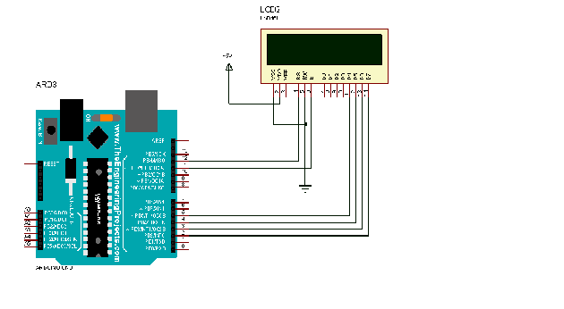
Figure 3. Interfacing the Arduino to LCD.

This is the connection of the pins between the LCD and the Arduino microcontroller (See Figure 3).

3.1. Buzzer

The ground of the buzzer is connected to the ground of the Arduino. The Vcc of the Buzzer is connected to digital pin 8 of the Arduino.

3.2. MQ-5 Sensor

The Do pin of the MQ-5 sensor is connected to the digital pin of the Arduino pin 7. In addition, the +5 volt of Arduino is connected to the Vcc of the sensor. Then finally, the ground of the Arduino is connected to the ground of the sensor.

Figure 4. Interfacing the MQ-5 sensor to Arduino.

This is the interfacing of the MQ-5 sensor to the Arduino Uno Microcontroller (See Figure 4).

4. RESULT

Table 2 shows the overall results obtained both from the simulation and implementation. If the system is powered on, it will display ‘Please wait’. This is because the system has to sense if there is gas leakage after some seconds. If there is no gas leakage, it will display on the LCD "No Gas Detected’. If the gas is detected, it will also display both in the simulation and implemented result that the gas was detected.

Table 2. Shows the simulation testing and results obtained.

S/N
Test conducted
Result obtained
1
System activated
Gas Leakage Detection and Alarming System (Figure 5.1 a & b)
2
After some seconds
Please wait (Figure 5.2 a & b)
3
If there is no gas leakage
Gas leakage not detected (Figure 5.3 a & b)
4
If there is gas leakage
Gas leakage detected (Figure 5.4 a & b)

Figure 5.1(a). Implementation result showing gas leakage detection and alarming system.

Figure 5.1(b). Simulation result showing gas leakage detection and alarming system.

Figure 5.2(a). Simulation result showing Please wait.

Figure 5.2(b). Implementation result showing Please wait.

Figure 5.3(a). Simulation result showing gas leakage not detected.

Figure 5.3(b). Implementation result showing gas leakage not detected.

Figure 5.4(a). Simulation result showing gas leakage detected.

Figure 5.4(b). Implementation result showing there is gas present in the environment.

5. CONCLUSION 

When the user activates the system, The system will display on the LCD the name of the research title and, after a few seconds, will display "Please wait’. Then it will display on the LCD again, "No gas detected’. If the MQ-5 sensor senses a gas, it will sound an alarm. At the same time, the exhaust fan will be activated to suck away the gas present in the environment. The red LED will also be powered on as a sign that there is a presence of gas in the environment. Both the sound of the buzzer and the red LED will not turn off until the fan sucks away the gas in the environment. With the help of the exhaust fan, it will be very difficult to have a fire outbreak.

Funding: This study received no specific financial support.  

Competing Interests: The authors declare that they have no competing interests.

Authors’ Contributions: Both authors contributed equally to the conception and design of the study.

REFERENCES

[1]          Y. Zheng, Z. Li, X. Xu, and Q. Zhao, "Dynamic defenses in cyber security: Techniques, methods and challenges," Digital Communications and Networks, 2021.Available at: https://doi.org/10.1016/j.dcan.2021.07.006.

[2]          W. Guangzhi, "Application of adaptive resource allocation algorithm and communication network security in improving educational video transmission quality," Alexandria Engineering Journal, vol. 60, pp. 4231-4241, 2021.Available at: https://doi.org/10.1016/j.aej.2021.02.026.

[3]          H. D. J. Borolla, A. Razak, and A. Mallongi, "The difference in the number of complaints from patient health services using national health insurance at regional general hospitals," Sanitary Gazette, vol. 35, pp. S12-S14, 2021.Available at: https://doi.org/10.1016/j.gaceta.2020.12.004.

[4]          P. Prievozník, S. Strelcová, and E. Sventeková, "Economic security of public transport provider in a three-dimensional model," Transportation Research Procedia, vol. 55, pp. 1570-1577, 2021.Available at: https://doi.org/10.1016/j.trpro.2021.07.146.

[5]          M. Lozano and A. Solé-Auró, "Happiness and life expectancy by main occupational position among older workers: Who will live longer and happy?," SSM-Population Health, vol. 13, p. 100735, 2021.Available at: https://doi.org/10.1016/j.ssmph.2021.100735.

[6]          D. Rashkovetsky, F. Mauracher, M. Langer, and M. Schmitt, "Wildfire detection from multisensor satellite imagery using deep semantic segmentation," IEEE Journal of Selected Topics in Applied Earth Observations and Remote Sensing, vol. 14, pp. 7001-7016, 2021.Available at: https://doi.org/10.1109/jstars.2021.3093625.

[7]          Y. Xie, J. Zhu, Y. Cao, Y. Zhang, D. Feng, Y. Zhang, and M. Chen, "Efficient video fire detection exploiting motion-flicker-based dynamic features and deep static features," IEEE Access, vol. 8, pp. 81904-81917, 2020.Available at: https://doi.org/10.1109/access.2020.2991338.

[8]          M. Ajith and M. Martínez-Ramón, "Unsupervised segmentation of fire and smoke from infra-red videos," IEEE Access, vol. 7, pp. 182381-182394, 2019.Available at: https://doi.org/10.1109/access.2019.2960209.

[9]          H. Zhang, L. Dou, B. Xin, J. Chen, M. Gan, and Y. Ding, "Data collection task planning of a fixed-wing unmanned aerial vehicle in forest fire monitoring," IEEE Access, vol. 9, pp. 109847-109864, 2021.Available at: https://doi.org/10.1109/access.2021.3102317.

[10]        C. A. Graff, S. R. Coffield, Y. Chen, E. Foufoula-Georgiou, J. T. Randerson, and P. Smyth, "Forecasting daily wildfire activity using poisson regression," IEEE Transactions on Geoscience and Remote Sensing, vol. 58, pp. 4837-4851, 2020.Available at: https://doi.org/10.1109/tgrs.2020.2968029.

[11]        G. Xu, Q. Zhang, D. Liu, G. Lin, J. Wang, and Y. Zhang, "Adversarial adaptation from synthesis to reality in fast detector for smoke detection," IEEE Access, vol. 7, pp. 29471-29483, 2019.Available at: https://doi.org/10.1109/access.2019.2902606.

[12]        M. D. Nguyen, H. N. Vu, D. C. Pham, B. Choi, and S. Ro, "Multistage real-time fire detection using convolutional neural networks and long short-term memory networks," IEEE Access, vol. 9, pp. 146667-146679, 2021.Available at: https://doi.org/10.1109/access.2021.3122346.

[13]        C. Chaoxia, W. Shang, and F. Zhang, "Information-guided flame detection based on faster R-CNN," IEEE Access, vol. 8, pp. 58923-58932, 2020.Available at: https://doi.org/10.1109/access.2020.2982994.

[14]        Z. Liu, X. Yang, Y. Liu, and Z. Qian, "Smoke-detection framework for high-definition video using fused spatial-and frequency-domain features," IEEE Access, vol. 7, pp. 89687-89701, 2019.Available at: https://doi.org/10.1109/access.2019.2926571.

[15]        J. Zhang, H. Zhu, P. Wang, and X. Ling, "ATT squeeze U-Net: A lightweight network for forest fire detection and recognition," IEEE Access, vol. 9, pp. 10858-10870, 2021.Available at: https://doi.org/10.1109/access.2021.3050628.

[16]        J. Shi, W. Wang, Y. Gao, and N. Yu, "Optimal placement and intelligent smoke detection algorithm for wildfire-monitoring cameras," IEEE Access, vol. 8, pp. 72326-72339, 2020.Available at: https://doi.org/10.1109/access.2020.2987991.

[17]        Z. Lin, F. Chen, B. Li, B. Yu, H. Jia, M. Zhang, and D. Liang, "A contextual and multitemporal active-fire detection algorithm based on FengYun-2G S-VISSR data," IEEE Transactions on Geoscience and Remote Sensing, vol. 57, pp. 8840-8852, 2019.Available at: https://doi.org/10.1109/tgrs.2019.2923248.

[18]        M. Nakip, C. Güzelíş, and O. Yildiz, "Recurrent trend predictive neural network for multi-sensor fire detection," IEEE Access, vol. 9, pp. 84204-84216, 2021.Available at: https://doi.org/10.1109/access.2021.3087736.

[19]        X. Huang and L. Du, "Fire detection and recognition optimization based on virtual reality video image," IEEE Access, vol. 8, pp. 77951-77961, 2020.Available at: https://doi.org/10.1109/access.2020.2990224.

[20]        Y. Cao, F. Yang, Q. Tang, and X. Lu, "An attention enhanced bidirectional LSTM for early forest fire smoke recognition," IEEE Access, vol. 7, pp. 154732-154742, 2019.Available at: https://doi.org/10.1109/access.2019.2946712.

[21]        Y. Li, L. Yu, C. Zheng, Z. Ma, S. Yang, F. Song, K. Zheng, W. Ye, Y. Zhang, and Y. Wang, "Development and field deployment of a mid-infrared CO and CO2 dual-gas sensor system for early fire detection and location," Spectrochimica Acta Part A: Molecular and Biomolecular Spectroscopy, vol. 270, p. 120834, 2022.Available at: https://doi.org/10.1016/j.saa.2021.120834.

[22]        H. S. Sucuoglu, I. Bogrekci, and P. Demircioglu, "Development of mobile robot with sensor fusion fire detection unit," IFAC-Papers Online, vol. 51, pp. 430-435, 2018.Available at: https://doi.org/10.1016/j.ifacol.2018.11.324.

[23]        S. Majid, F. Alenezi, S. Masood, M. Ahmad, E. S. Gündüz, and K. Polat, "Attention based CNN model for fire detection and localization in real-world images," Expert Systems with Applications, vol. 189, p. 116114, 2022.Available at: https://doi.org/10.1016/j.eswa.2021.116114.

[24]        K. Muhammad, J. Ahmad, and S. W. Baik, "Early fire detection using convolutional neural networks during surveillance for effective disaster management," Neurocomputing, vol. 288, pp. 30-42, 2018.Available at: https://doi.org/10.1016/j.neucom.2017.04.083.

[25]        A. Solórzano, J. Eichmann, L. Fernandez, B. Ziems, J. M. Jiménez-Soto, S. Marco, and J. Fonollosa, "Early fire detection based on gas sensor arrays: Multivariate calibration and validation," Sensors and Actuators B: Chemical, vol. 352, p. 130961, 2022.Available at: https://doi.org/10.1016/j.snb.2021.130961.

[26]        Z. Lin, F. Chen, Z. Niu, B. Li, B. Yu, H. Jia, and M. Zhang, "An active fire detection algorithm based on multi-temporal FengYun-3C VIRR data," Remote Sensing of Environment, vol. 211, pp. 376-387, 2018.Available at: https://doi.org/10.1016/j.rse.2018.04.027.

[27]        Z. Li, J. Han, W. Chen, and J. Yi, "Detection of vapors from overheated PVC cables with modified sea urchin-like ZnO for fire warning," Sensors and Actuators B: Chemical, vol. 350, p. 130841, 2022.Available at: https://doi.org/10.1016/j.snb.2021.130841.

[28]        L. Yuan, R. A. Thomas, J. H. Rowland, and L. Zhou, "Early fire detection for underground diesel fuel storage areas," Process Safety and Environmental Protection, vol. 119, pp. 69-74, 2018.Available at: https://doi.org/10.1016/j.psep.2018.07.022.

[29]        R. Krebs, J. Owens, and H. Luckarift, "Formation and detection of hydrogen fluoride gas during fire fighting scenarios," Fire Safety Journal, vol. 127, p. 103489, 2022.Available at: https://doi.org/10.1016/j.firesaf.2021.103489.

[30]        S. M. Nemalidinne and D. Gupta, "Nonsubsampled contourlet domain visible and infrared image fusion framework for fire detection using pulse coupled neural network and spatial fuzzy clustering," Fire Safety Journal, vol. 101, pp. 84-101, 2018.Available at: https://doi.org/10.1016/j.firesaf.2018.08.012.

[31]        S. Shen, W. Li, M. Wang, D. Wang, Y. Li, and D. Li, "Methane near-infrared laser remote detection under non-cooperative target condition based on harmonic waveform recognition," Infrared Physics & Technology, vol. 120, p. 103977, 2022.Available at: https://doi.org/10.1016/j.infrared.2021.103977.

[32]        J. Wang, R. Xu, Y. Xia, and S. Komarneni, "Ti2CTx MXene: A novel p-type sensing material for visible light-enhanced room temperature methane detection," Ceramics International, vol. 47, pp. 34437-34442, 2021.Available at: https://doi.org/10.1016/j.ceramint.2021.08.357.

[33]        T. Keyes, G. Ridge, M. Klein, N. Phillips, R. Ackley, and Y. Yang, "An enhanced procedure for urban mobile methane leak detection," Heliyon, vol. 6, p. e04876, 2020.Available at: https://doi.org/10.1016/j.heliyon.2020.e04876.

[34]        Z. Wang, T. Chang, X. Zeng, H. Wang, L. Cheng, C. Wu, J. Chen, Z. Luo, and H.-L. Cui, "Fiber optic multipoint remote methane sensing system based on pseudo differential detection," Optics and Lasers in Engineering, vol. 114, pp. 50-59, 2019.Available at: https://doi.org/10.1016/j.optlaseng.2018.10.013.

[35]        C. Li, M. Guo, B. Zhang, C. Li, B. Yang, and K. Chen, "Miniature single-fiber photoacoustic sensor for methane gas leakage detection," Optics and Lasers in Engineering, vol. 149, p. 106792, 2022.Available at: https://doi.org/10.1016/j.optlaseng.2021.106792.

[36]        J. Xia, C. Feng, F. Zhu, S. Ye, S. Zhang, A. Kolomenskii, Q. Wang, J. Dong, Z. Wang, and W. Jin, "A sensitive methane sensor of a ppt detection level using a mid-infrared interband cascade laser and a long-path multipass cell," Sensors and Actuators B: Chemical, vol. 334, p. 129641, 2021.Available at: https://doi.org/10.1016/j.snb.2021.129641.

[37]        J. Wang, L. P. Tchapmi, A. P. Ravikumar, M. McGuire, C. S. Bell, D. Zimmerle, S. Savarese, and A. R. Brandt, "Machine vision for natural gas methane emissions detection using an infrared camera," Applied Energy, vol. 257, p. 113998, 2020.Available at: https://doi.org/10.1016/j.apenergy.2019.113998.

[38]        A. Sampaolo, S. Csutak, P. Patimisco, M. Giglio, G. Menduni, V. Passaro, F. K. Tittel, M. Deffenbaugh, and V. Spagnolo, "Methane, ethane and propane detection using a compact quartz enhanced photoacoustic sensor and a single interband cascade laser," Sensors and Actuators B: Chemical, vol. 282, pp. 952-960, 2019.Available at: https://doi.org/10.1016/j.snb.2018.11.132.

[39]        J. Pangerl, M. Müller, T. Rück, S. Weigl, and R. Bierl, "Characterizing a sensitive compact mid-infrared photoacoustic sensor for methane, ethane and acetylene detection considering changing ambient parameters and bulk composition (N2, O2 and H2O)," Sensors and Actuators B: Chemical, vol. 352, p. 130962, 2022.Available at: https://doi.org/10.1016/j.snb.2021.130962.

[40]        M. R. Johnson, D. R. Tyner, and A. J. Szekeres, "Blinded evaluation of airborne methane source detection using Bridger Photonics LiDAR," Remote Sensing of Environment, vol. 259, p. 112418, 2021.Available at: https://doi.org/10.1016/j.rse.2021.112418.

[41]        Y. Li, R. Wang, F. K. Tittel, and Y. Ma, "Sensitive methane detection based on quartz-enhanced photoacoustic spectroscopy with a high-power diode laser and wavelet filtering," Optics and Lasers in Engineering, vol. 132, p. 106155, 2020.Available at: https://doi.org/10.1016/j.optlaseng.2020.106155.

[42]        G. Zhang, K. Khabibullin, and A. Farooq, "An IH-QCL based gas sensor for simultaneous detection of methane and acetylene," Proceedings of the Combustion Institute, vol. 37, pp. 1445-1452, 2019.Available at: https://doi.org/10.1016/j.proci.2018.06.062.

[43]        A. Sepman, E. Thorin, Y. Ögren, C. Ma, M. Carlborg, J. Wennebro, M. Broström, H. Wiinikka, and F. M. Schmidt, "Laser-based detection of methane and soot during entrained-flow biomass gasification," Combustion and Flame, vol. 237, p. 111886, 2022.Available at: https://doi.org/10.1016/j.combustflame.2021.111886.

[44]        Y. Zhao, S. Wang, W. Yuan, S. Fan, Z. Hua, Y. Wu, and X. Tian, "Selective detection of methane by Pd-In2O3 sensors with a catalyst filter film," Sensors and Actuators B: Chemical, vol. 328, p. 129030, 2021.Available at: https://doi.org/10.1016/j.snb.2020.129030.

[45]        B. Yang, J. Xu, C. Wang, and J. Xiao, "A potentiometric sensor based on SmMn2O5 sensing electrode for methane detection," Materials Chemistry and Physics, vol. 245, p. 122679, 2020.

[46]        A. P. Sandoval-Rojas, M. T. Cortés, and J. Hurtado, "Electrochemical synthesis of poly (3, 4-ethylenedioxythiophene) doped with a new bis (pyrazolyl) methane disulfonate and its behavior towards dopamine detection," Journal of Electroanalytical Chemistry, vol. 837, pp. 200-207, 2019.Available at: https://doi.org/10.1016/j.jelechem.2019.02.041.

[47]        L. Tian, J. Sun, S. Zhang, A. A. Kolomenskii, H. A. Schuessler, Z. Wang, J. Xia, J. Chang, and Z. Liu, "Near-infrared methane sensor with neural network filtering," Sensors and Actuators B: Chemical, vol. 354, p. 131207, 2022.Available at: https://doi.org/10.1016/j.snb.2021.131207.

[48]        Z. Gong, T. Gao, L. Mei, K. Chen, Y. Chen, B. Zhang, W. Peng, and Q. Yu, "Ppb-level detection of methane based on an optimized T-type photoacoustic cell and a NIR diode laser," Photoacoustics, vol. 21, p. 100216, 2021.Available at: https://doi.org/10.1016/j.pacs.2020.100216.

[49]        M. Giglio, A. Zifarelli, A. Sampaolo, G. Menduni, A. Elefante, R. Blanchard, C. Pfluegl, M. F. Witinski, D. Vakhshoori, and H. Wu, "Broadband detection of methane and nitrous oxide using a distributed-feedback quantum cascade laser array and quartz-enhanced photoacoustic sensing," Photoacoustics, vol. 17, p. 100159, 2020.Available at: https://doi.org/10.1016/j.pacs.2019.100159.

[50]        L.-b. Ch'ien, Y.-j. Wang, A.-c. Shi, and F. Li, "Wavelet filtering algorithm for improved detection of a methane gas sensor based on non-dispersive infrared technology," Infrared Physics and Technology, vol. 99, pp. 284-291, 2019.Available at: https://doi.org/10.1016/j.infrared.2019.04.025.

[51]        M. A. Baballe, M. I. Bello, and A. S. Mahmoud, "A comparative study on gas alarm detection system," Journal of Telecommunication Control and Intelligent System, vol. 1, pp. 65-72, 2021.

[52]        M. A. Baballe, U. Y. Magashi, B. I. Garko, A. A. Umar, Y. R. Magaji, and M. Surajo, "Automatic gas leakage monitoring system using MQ-5 sensor," Review of Computer Engineering Research, vol. 8, pp. 64-75, 2021.Available at: https://doi.org/10.18488/journal.76.2021.82.64.75.

Views and opinions expressed in this article are the views and opinions of the author(s), Review of Computer Engineering Research shall not be responsible or answerable for any loss, damage or liability etc. caused in relation to/arising out of the use of the content.